
小黑DTU使用说明


1. 功能特点
- 4G CAT1 全网通模组
- 支持远程升级程序和修改参数;
- 支持 9~26V 宽电压供电,电源具有过压、浪涌、反接保护;
- RS485 防雷、防浪涌、过压、过流、防静电保护,具有抗干扰能力;
- RS485 通信采用 MODBUS RTU 协议,广泛支持各种工业控制器。
2. 模块基本参数


3. DTU 实物图

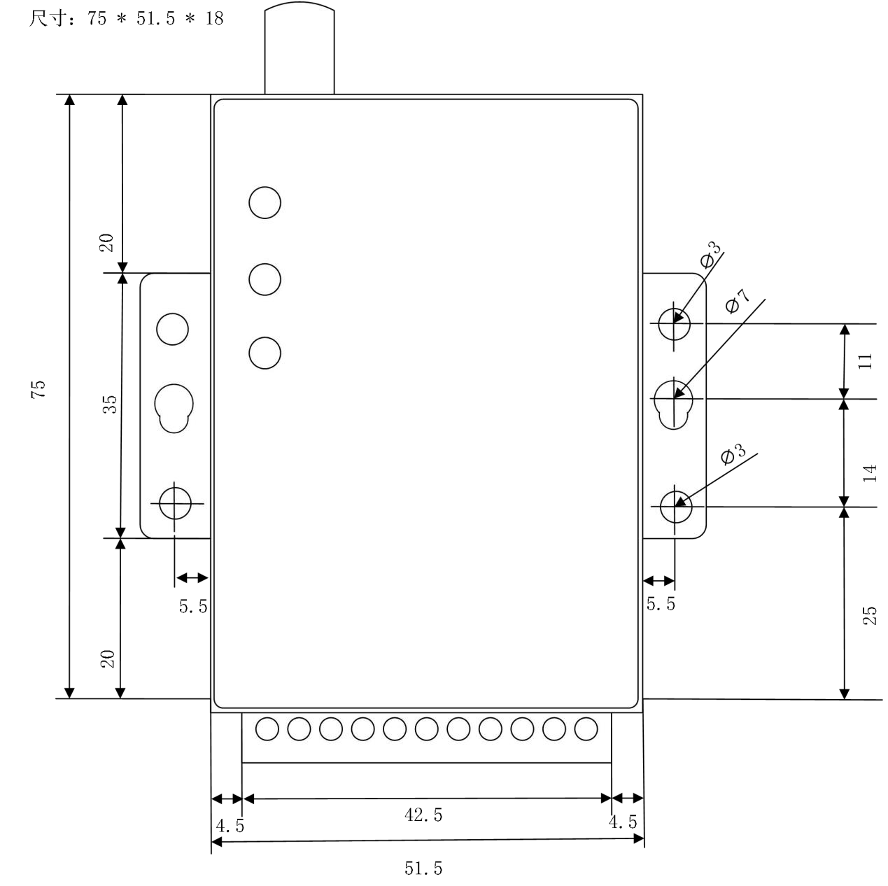
4. DTU 尺寸

5. DTU 接口定义


6. 通信协议

7. 云平台快速上手
7.1 关注公众号

步骤:打开微信,搜索并关注公众号
7.2 微信注册管理员账号
如果已经注册管理员账号,则跳过本节。

步骤 1:点击"微信登录"
步骤 2:点击"确定"
步骤 3:点"直接登录"
7.3 置顶公众号

步骤 1: 点击"公众号设置"
步骤 2: 点击"更多"
步骤 3: 点"置顶服务号"
7.4 添加设备-扫码绑定
用户拿到 DTU 后,设备尚未在客户账户中,可以通过微信扫描 DTU 正面的二维码添加设备。第一个扫描绑定成功的用户为该 DTU 的管理员用户。

步骤 1:进入管理界面,点击"+"
步骤 2:点"扫码绑定"
步骤 3:扫描 DTU 正面的二维码
7.5 设备详情
设备详情主要显示设备的工作状态,通常是只读,通常不能设置。可下拉、折叠参数列表。

7.6 设置
设置页面主要用于设置参数,可下拉、折叠。

7.7 告警
告警分为未处理告警、已处理告警,在"未处理告警"中点"处理",则该条记录变成"已处理"

7.8 数据与曲线
可显示部分参数的历史数据和曲线

8. 手机应用
在手机应用商店,输入"设备智能",点下载。
手机 APP 的使用方法与微信公众号大同小异。

步骤:在应用商店搜索"设备智能"并下载
联系我们
公司信息
- 公司名称:北京行臻科技有限责任公司
- 公司地址:北京市昌平区龙域北街10号院1号楼5层519
- 研发中心:广州市天河区长源路21号创兴港长湴大学堂创新园A16-3A
- 联系人:李忠佑
- 电话:15625178785

